1. 黄瓜视频污版在线观看,黄瓜视频APP在线下载,国产黄瓜在线视频,黄瓜视频成人网站免费下载

        黄瓜视频APP在线下载、插座、連接器專業製造
        全國谘詢熱線:13712077807

        IC-02

        產品介紹

         

         

        機械性能:電氣特性
        切換電流:25mA at 24VDC
        不切換電流:100mA at 50VDC
        動作力:1000gf Mat
        機械壽命:3000cycles Operations
        回流焊:260土5 0C for 3-5 seconds
        初始阻抗:500Mf2 Max
        壽後阻抗:100MS2 Max
        絕緣阻抗:100Mi2 Min, 60sec at 100VDC
        耐電壓:300VAC for 60 seconds
        黄瓜视频APP在线下载電容:5pF Max at 1MHZ
        工作溫度:一300C to +85 0C
        存儲溫度:-40 0C to +85 0C
        包裝規格:Reel卷裝/下upe管裝

         

        產品信息二特點
        產品特點:
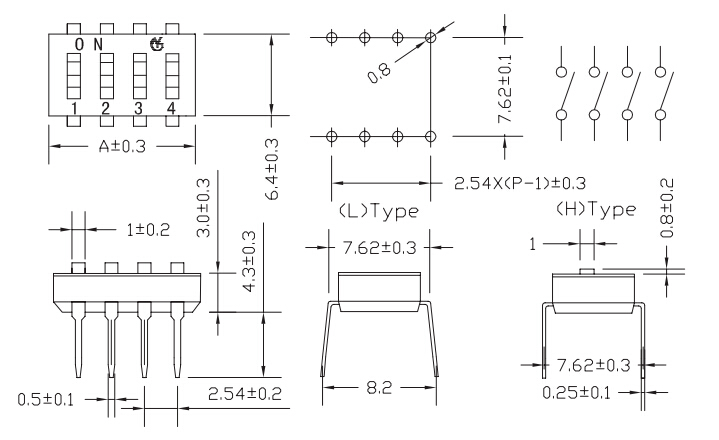
        2.54mm腳距;標準鍍金接點;貼附耐電高溫薄膜;
        可耐高溫的塑料本體設計。
        撥碼黄瓜视频APP在线下载材質:
        1底座:工程塑料UL94V一0高溫材質(黑色)
        2.上蓋:工程塑料UL94V一0高溫材質(黑色,紅色,藍色)
        3.推鈕:工程塑料UL94V-0高溫材質(白色)
        3.固定觸點與可動觸點:銅片鍍金
        3.引腳:銅片鍍金
        撥碼黄瓜视频APP在线下载焊接方式:
        1.手焊:30瓦以下烙,攝氏350度以下不超過三秒鍾或
        攝氏270度以內不超過5秒鍾。
        2.回流焊:攝氏265度至攝氏275度10秒以內,請於焊接和
        清洗時將推鈕設在" OFF',的位置。
        撥碼黄瓜视频APP在线下载包裝方式:所有黄瓜视频APP在线下载推鈕在包裝時都設置在" OFF“的位置。

         

         

         

         

         

         

         

         

         

         

        在線客服
        聯係方式

        熱線電話

        0769-85330959

        手機號碼

        13712077807

        二維碼
        網站地圖